Il CBU-ASD è un'unità di controllo wireless per driver LED e alogeni con interfaccia di dimmerazione 0-10V, 1-10V o DALI. L'uscita di controllo può essere configurata come interfaccia di controllo sia analogica con driver da 0-10V (e 1-10V) sia digitale con DALI Standalone.
È in grado di controllare fino a 3 driver DALI.
Quando l'uscita è configurata come DALI Standalone, il CBU-ASD agisce sia come controller sia come fonte di alimentazione, permettendo il collegamento diretto a un driver LED con interfaccia DALI senza l'ausilio di un alimentatore DALI esterno. Il cosiddetto DALI Standalone consente di implementare sistemi di illuminazione multicanale con colore (RGB) o temperatura colore regolabile, mantenendo al minimo il cablaggio e il numero di componenti.
Il CBU-ASD non è conforme allo standard IEC 60929 e pertanto non è progettato per essere collegato a una rete DALI esistente. Il modulo può essere utilizzato solo in un sistema chiuso, cioè come parte di un sistema di illuminazione non collegato a una rete DALI esterna.
Caratteristiche tecniche:
- Non necessita di gateway esterno
- Crea automaticamente una rete mesh wireless veloce
- Formato molto piccolo per l'installazione su dispositivi di illuminazione
- Uscita analogica/digitale configurabile
- Uscita analogica: 0-10V sink/source
- Uscita digitale: DALI Standalone
- Facile gestione RGB e temperatura colore
- Uscita di rete commutata controllabile
- Controllo singolo da 2, 3 e 4 canali
- Dimmerazione da interruttori a parete standard on/off
- Il firmware del dispositivo può essere aggiornato via etere
- Il servizio cloud di Casambi migliora l'esperienza dell'utente
- Tensione di ingresso: 220 - 240 Vac
- Consumo energetico: 1,1 W PF 0,6
- Corrente in uscita max 0,6 A ca
- Num max driver DALI 2
- Num max driver 1-10V 2
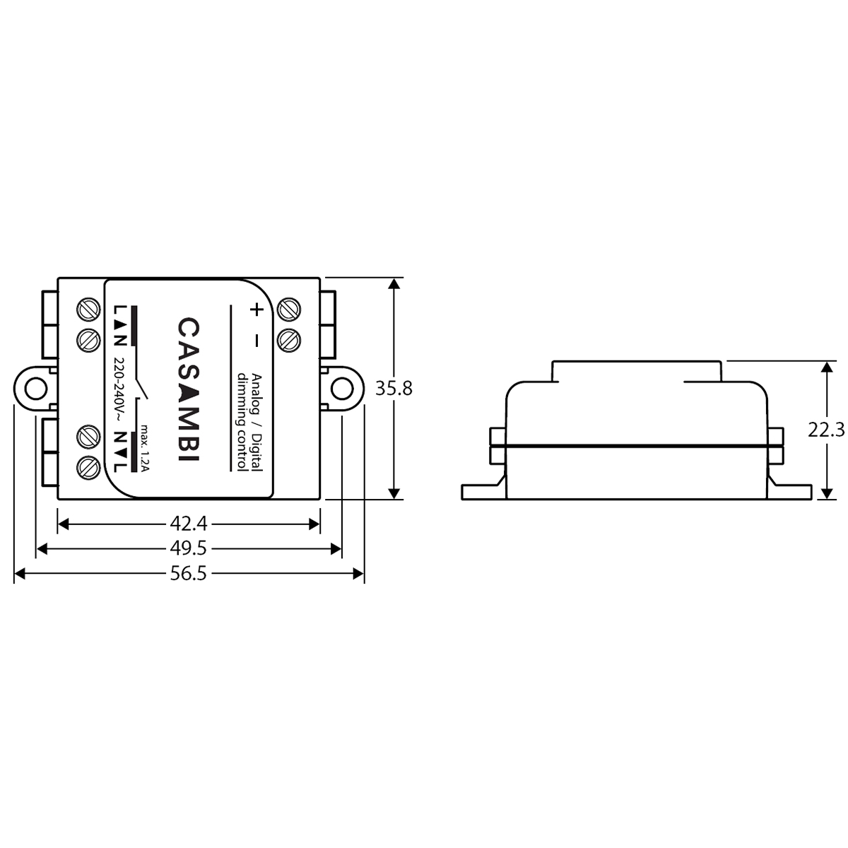
Il CBU-ASD misura 56,5 x 35,8 x 22,3 mm, è IP20 e opera a una temperatura ambiente compresa tra -20 e +40 °C (se la corrente in uscita è di 0,6 A) e tra -20 e +50 °C (se la corrente in uscita è di 0 A). È importante che la temperatura ambiente non superi il valore massimo specificato. Per l'installazione può essere utilizzato un cavo elettrico rigido o flessibile da 0,75- 1,5 mm2.
Casambi è un sistema avanzato per il controllo dell'illuminazione basato sulla tecnologia Bluetooth Low Energy (BLE). BLE è una tecnologia wireless d'avanguardia, l'unica a basso consumo di energia, integrata in tutti i moderni smartphone, tablet e smart watch, e la sola al mondo pronta per le sfide del futuro.
Intelligente
I dispositivi Casambi sono dotati di un'intelligenza propria. L'intelligenza viene replicata in ciascun nodo affinché in nessun punto del percorso vi siano possibilità che si verifichino errori. Il sistema stesso è in costante sincronizzazione basata su consensi. 1.2 Connesso I dispositivi Casambi si connettono quando necessario. Non è richiesta una connessione ad Internet per il funzionamento generale e la funzionalità ordinaria. La tecnologia Bluetooth Low Energy è già implementata in smartphone e tablet, perciò è possibile stabilire connessioni senza gateway aggiuntivi. La velocità di connessione tra un dispositivo intelligente e i dispositivi Casambi è rapida e senza interruzioni, basta aprire l'App per avviare la connessione al sistema.
Intuitivo
Questo sistema è intuitivo: alla prima connessione i nodi si associano automaticamente e può essere utilizzato e personalizzato da chiunque, senza bisogno di coinvolgere esperti per la messa in servizio.
Wireless
La rete Casambi si basa sul protocollo Bluetooth Low Energy, la migliore tecnologia wireless ad alta efficienza energetica e pronta alle sfide del futuro. 2. Bluetooth Low Energy
La Bluetooth Low Energy, conosciuta anche come Bluetooth 4.0+, Bluetooth Smart o semplicemente BLE, è stata progettata originariamente da Nokia come Wibree per poi essere adottata dal Bluetooth Special Interest Group (SIG) e rilasciata nel 2010. La funzionalità a basso consumo energetico della BLE consente agli sviluppatori di realizzare prodotti alimentati da piccole batterie a bottone o dispositivi di accumulo di energia, rendendo la BLE il miglior protocollo da utilizzare in applicazioni di controllo dell'illuminazione wireless.