LE OFFERTE SCADONO TRA:    

Lampada emergenza parete LED 3.5W esterni IP65 luce anti black out autonomia 3 ore exit uscita ufficio negozio casa 230V

Codice: PLIT-881273
Condizione: Nuovo
    AGGIUNGI ALLA LISTA DEI DESIDERI
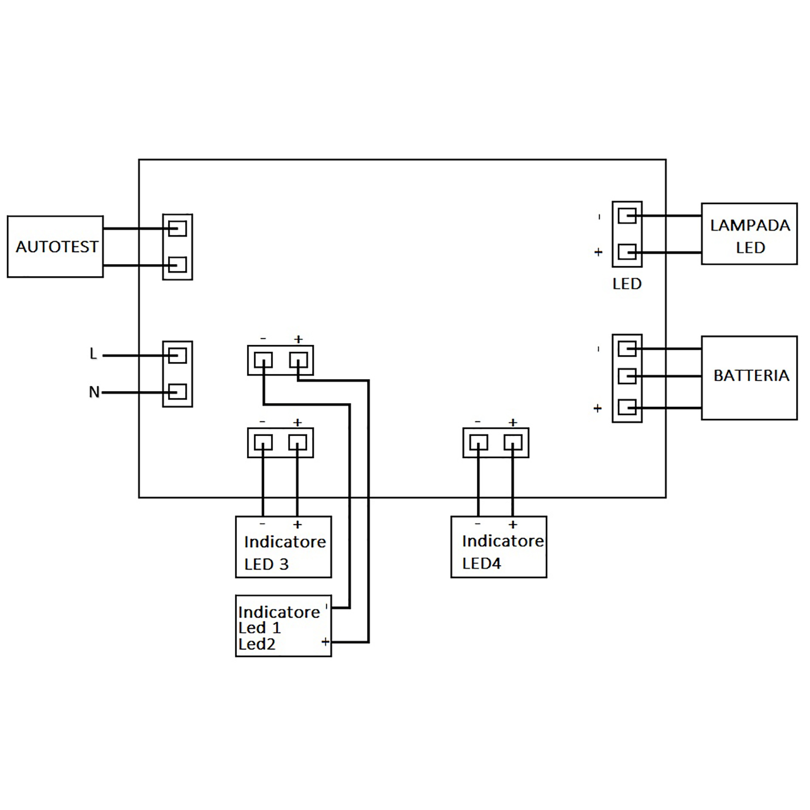
      Scarica manuale tecnico: 
      PREZZO:
      iva inclusa
      €21,99
        Disponibilità: 186
        Costo spedizione da: €6.00
        Spedizione veloce: Corriere espresso
          Paga con: Contrassegno, Paypal, Bonifico bancario METODI DI PAGAMENTO

            La lampada d'emergenza da parete LED 3.5W è la soluzione affidabile per l'illuminazione automatica in caso di black-out, garantendo la sicurezza e la tranquillità nelle tue abitazioni, uffici o negozi. Progettata per funzionare sia in ambienti interni che esterni, questa lampada è un accessorio essenziale per ogni situazione in cui la continuità dell'illuminazione è fondamentale.

            Caratteristiche Principali:

            • Potente Illuminazione: Con una potenza di 3.5W e una luminosità di 400 lumen, questa lampada offre un'illuminazione chiara e intensa, rendendo facile muoversi in ambienti oscuri durante i black-out.

            • Autonomia di 3 Ore: Dotata di una batteria interna ricaricabile, la lampada offre un'autonomia di circa 3 ore, garantendo un'illuminazione continua durante i momenti di interruzione della corrente elettrica.

            • Installazione Semplice: L'installazione è un gioco da ragazzi. Basta fissare la lampada alla parete e collegarla alla rete elettrica 230V tramite morsetti a vite. Non sono necessarie complicate procedure di montaggio.

            • Protezione IP65: Con il grado di protezione IP65, questa lampada è progettata per resistere alle condizioni esterne, ma può essere altrettanto efficace negli ambienti interni. Garantisce una prestazione affidabile anche in caso di pioggia o umidità.

            • Indicatore di Carica: La lampada è dotata di un LED verde che indica lo stato di carica, assicurando che sia pronta per l'uso quando ne hai bisogno.

            • Pittogramma per Uscita di Sicurezza Incluso: All'interno della confezione troverai un pittogramma adesivo per l'uscita di sicurezza, che può essere applicato per indicare chiaramente le vie d'uscita.

            Specifiche Tecniche:

            • Dimensioni della lampada: 270mm x 100mm x 54mm
            • Temperatura di Luce: 6500K (luce fredda)
            • Batteria interna: Li-ion 7,4V 1500mAh
            • Tempo di Carica: 7 Ore
            • Alimentazione: AC 220-240V  /  50/60Hz

            Non lasciare che il black-out ti colga impreparato. Investi in una soluzione di illuminazione affidabile e scegli la Lampada d'Emergenza Parete LED 3.5W.

             


             


            Dimensione: 270mm x 100mm x54mm
            Temperatura luce: 6500K
            Materiale prodotto: Plastica
            Flusso luminoso: 400lm
            Classe energetica: A+
            Colore: Bianco
            Tipo di led: SMD
            Tensione di ingresso: 220-240V AC
            Grado di protezione: IP65
            Potenza: 3.5W
            Trustpilot


            Indica qui la tua email per ricevere sconti e newsletter.

            Letta e compresa l'informativa sulla Privacy , autorizzo il trattamento dei miei dati per finalità di marketing (ricevere newsletter, novità, promozioni) da parte di company/planetitaly/